
The Collection of Industrial Designs and Plans 1
Eng. Samir Ketf

In the name of God
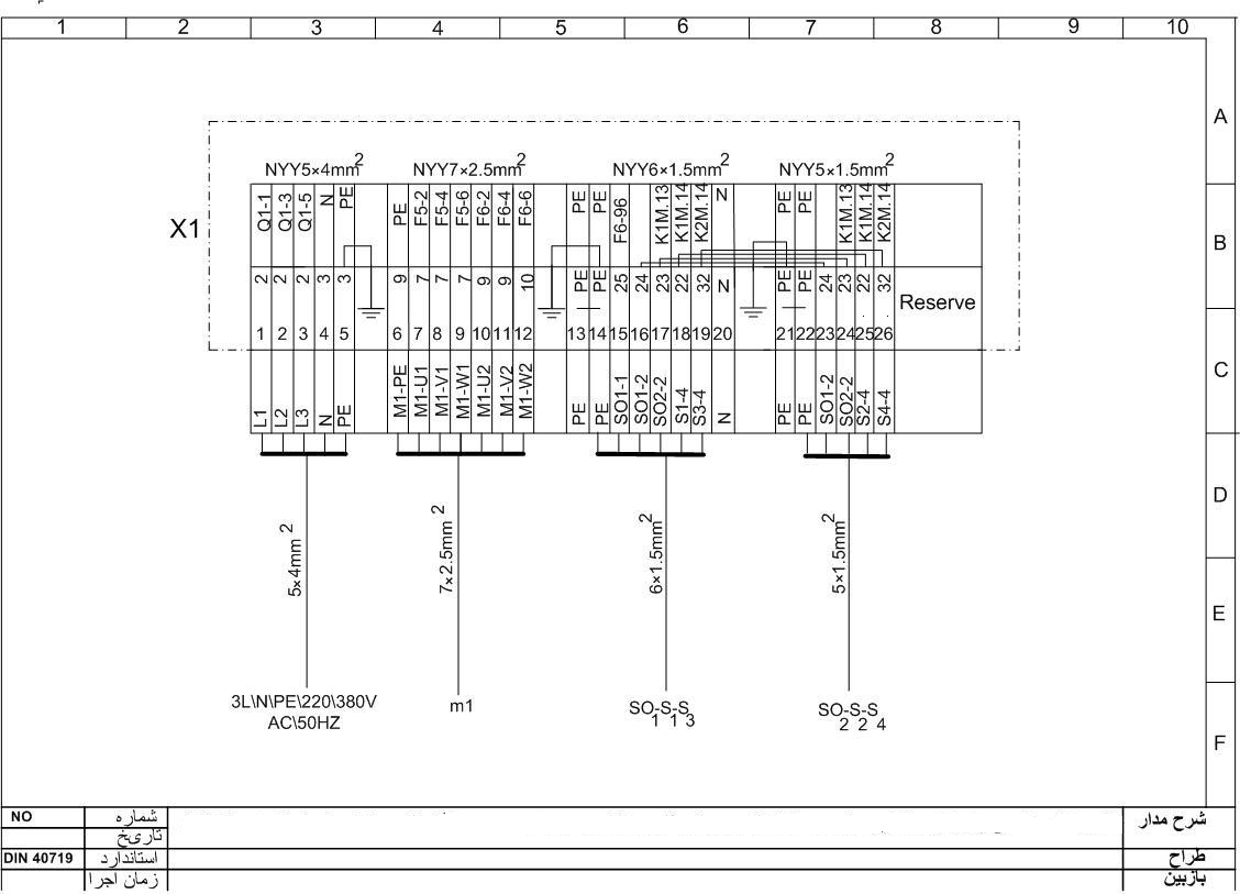
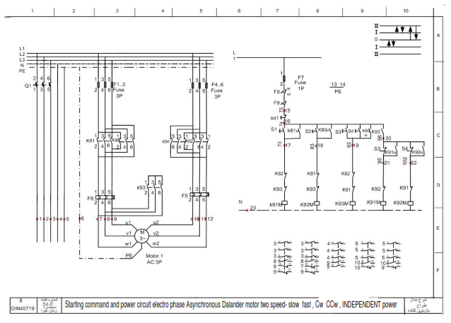
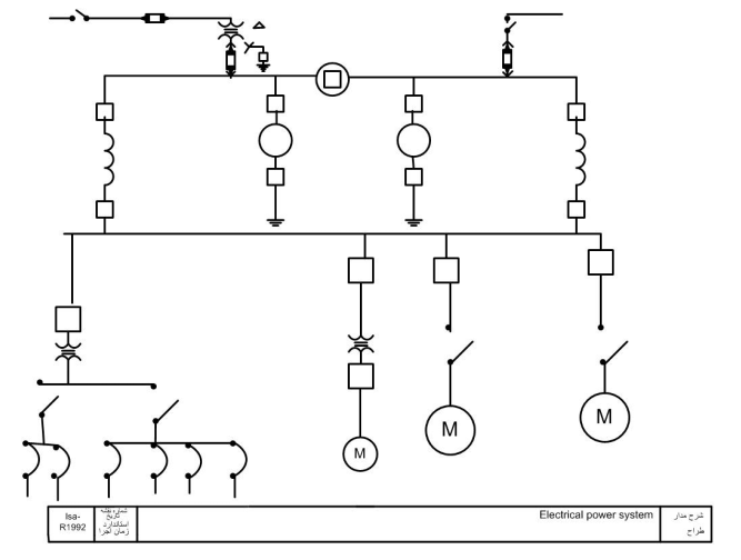
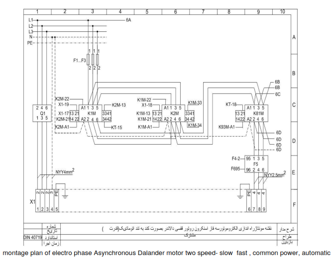
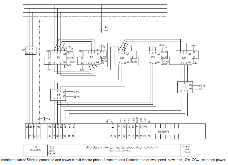
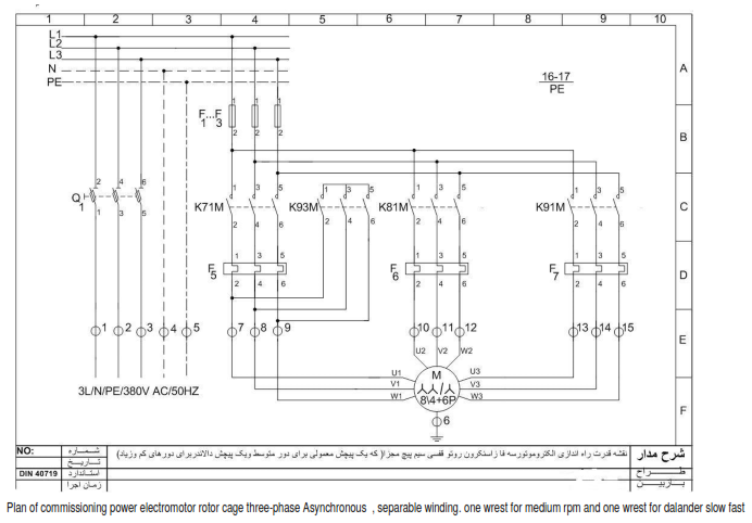
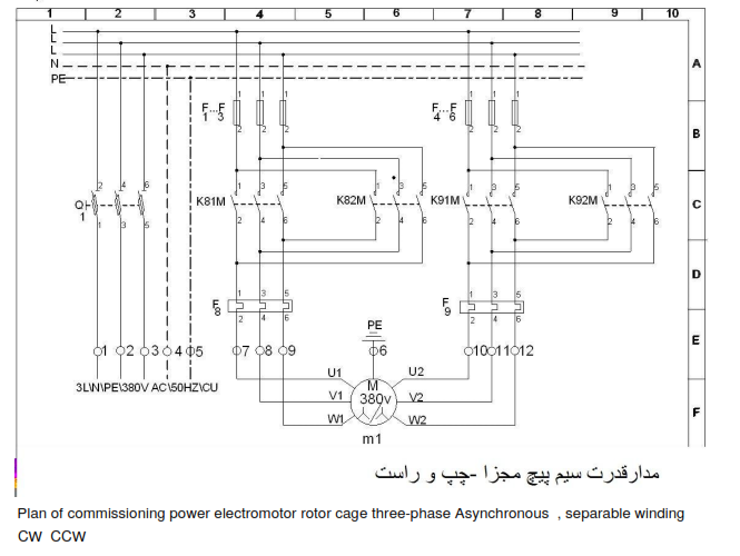
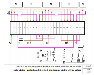
The collection of Industrial designs and plans by me, Samir Ketf has done in 2006-2007. In that time I was educating in Electro technic branch in the city of Karaj, Alborz Province,Iran, Technical and vocational education on crossroad Talghani. On that time Electro technic planning education that was include the control and command's circuit and winding the motor, do with hand and Template. I was the first who have drawn the designs with computer and software. And have got these soft wares and have taught them to enthusiasts. My classmates and professors are my witnesses on this claim.
My classmates: Mohsen Khodabandeh- Mahdi Karami(thanks for drawing some of designs in this collection) - Alireza Hizaji (thanks for drawing some of designs in this collection)- Bahador Jalali - etc.
Professors: Mr. Ahrabi- Mr. Haqiqi- Mr. Mosaferi - etc.
Since that time my designs uploaded in many sites, and then i decided to collect these designs and perform in many collections.
I call this one: The collection of industrial designs and plans 1.
Samir Ketf
2010














































Reads:
3
Pages:
24
Published:
Sep 2025
A deep dive into Tata Capital’s historic $2 billion IPO — uncover its objectives, market implications, and how it shapes the future of Indian finance.
Formats: PDF, Epub, Kindle, TXT
Reads:
47
Pages:
25
Published:
Aug 2025
Are you tired of conflicting advice and miracle promises about erectile dysfunction?This comprehensive guide separates fact from fiction and gives you the too...
Formats: PDF, Epub, Kindle, TXT